Si estas estudiando o alguna vez estudiaste neumática, seguramente escuchaste hablar del Método Cascada. Este método popular consta de reglas y sugerencias para realizar un circuito neumático y al mismo tiempo eliminar las señales permanentes o también conocidos como conflictos de señal.
Para explicar este método vamos a proponer una secuencia: A+ B+ B- A-
Lo primero que haremos será un Diagrama ESPACIO-FASE para analizar la secuencia.
Hacerse la costumbre de realizar un Diagrama ESPACIO-FASE nos va permitir desarrollar el circuito de una forma mas prolija.
En el diagrama colocamos las fases y el nombre de las señales que usaremos.
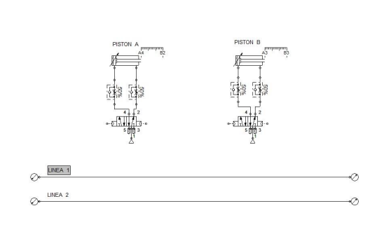
En mi caso para nombrar las señales uso un método sencillo: coloco una letra y un numero.
Por ejemplo si una señal produce que el pistón B avance, le pongo la nombro con la letra B y si esa señal produce un avance le coloco un numero par, en nuestro diagrama espacio fase utilice B2.
Por ejemplo si una señal produce que el pistón B avance, le pongo la nombro con la letra B y si esa señal produce un avance le coloco un numero par, en nuestro diagrama espacio fase utilice B2.
Análisis de Secuencia
Cuando comienza la secuencia lo primero que ocurre es que sale el embolo del pistón A [A+] y se activa el final de carrera que llamamos B2.
El final de carrera B2 permite el paso de aire y produce que el embolo del pistón B salga [B+] activando el final de carrera B3.
El final de carrera B2 permite el paso de aire y produce que el embolo del pistón B salga [B+] activando el final de carrera B3.
Es allí cuando tenemos un conflicto de señal. Tenemos dos finales de carreras activados al mismo tiempo: B2 y B3, uno activando el avance del pistón B y otro activando el retroceso del pistón B.
Eso se denomina conflicto de señal de tipo esencial por que detendrá por completo nuestro circuito.
Eso se denomina conflicto de señal de tipo esencial por que detendrá por completo nuestro circuito.
Si solucionamos ese problema el resto del circuito lo tenemos fácil.
Reglas del Método Cascada
1º: Dividir la secuencia en la menor cantidad de grupos sin que se repitan las letras.
Simplemente debemos crear grupos donde no se repitan las letras, con la observación que cuantos menos grupos hagamos mas fácil será de resolver el circuito.
En este caso la mínima cantidad de grupos es de dos.
2º: Obtendremos tantas líneas de grupo como grupos haya.
Obtuvimos dos grupos por lo cual colocaremos dos líneas y les pondremos su nombre correspondiente, seamos prolijos que eso nos facilitará las cosas.
3º: Obtendremos tantas válvulas de grupo como grupos -1 haya.
Tenemos dos grupos y debemos restarle uno a esa cantidad.
2-1=1
Colocaremos una sola válvula de grupo.
4º:Los finales de carrera que cambian de grupo se colocan debajo de las líneas de grupo y a la izquierda de la válvula de grupo.
Para realizar esto debemos volver a observar el grafico que hicimos en la primer regla:
Si observamos bien la señal que cambia de grupo, es decir la que tiene la cola de la flecha en el grupo 1 y la punta de la flecha en el grupo 2, es la señal B3.
Ahora si, colocamos esta señal a la izquierda de la válvula de grupo. Esta señal realiza el cambio de grupo del grupo 1 al 2, por lo cual se va a alimentar de la linea 1.
5º: Las condiciones de arranque se dibujan debajo de las líneas de grupo y a la derecha de la válvula de grupo.
¿Qué es una condición de arranque? Una condición de arranque es todo "lo que tiene que pasar" para que el circuito o la maquina arranque.
Por ejemplo: una condición de arranque podría ser un pulsador que debe ser presionado.
Por ejemplo: una condición de arranque podría ser un pulsador que debe ser presionado.
Toda secuencia neumática tiene fases y para que comience la primer fase la ultima ya se tuvo que haber cumplido antes.
En nuestra secuencia no puede ocurrir [A+] si [A-] no ocurrió antes... ¿Por que? Porque [A-] es la ultima fase nuestra secuencia. Para comenzar la primera tiene que haberse cumplido la ultima.
Por eso decimos que A4, la ultima señal que se origina en la secuencia, es una condición de arranque.
Por eso decimos que A4, la ultima señal que se origina en la secuencia, es una condición de arranque.
Las condiciones de arranque se colocaran debajo de las líneas de grupo y a la derecha de la válvula de grupo.
También optamos por poner un pulsador que llamamos A0 y como también es una condición de arranque la ponemos en serie con A4.
La cola de la flecha de A4 esta en el grupo 2, así que ese final de carrera lo conectamos a la linea 2.
6º: Los finales de carrera que están dentro de cada grupo se dibujan arriba de las líneas de grupo.
¿Qué pasa con A3 y B2? Estas señales se encuentran dentro de los grupos propiamente dichos.
B2 se encuentra en el grupo 1 por ende se alimenta de la línea 1. Además, provoca el avance del pistón B, por eso va conectada a la válvula de mando del pistón en el pilotaje izquierdo (el que provoque el avance).
La misma regla se sigue para A3.
¿Ahora bien y los pilotajes que quedaron sin conexión de las válvulas de mando del pistón A y B?
¿En que grupo se encuentra A+? Se encuentra en el grupo 1 por eso el pilotaje de avance de el pistón A se va a alimentar de la línea 1.
Lo mismo se debe hacer con el pilotaje de retroceso del pistón B.
Seguramente hay muchos términos nuevos o palabras que nunca escuchaste, pero no te pongas mal aquí te dejo un video explicativo con simulación de como se hace este circuito paso a paso!
Seguramente hay muchos términos nuevos o palabras que nunca escuchaste, pero no te pongas mal aquí te dejo un video explicativo con simulación de como se hace este circuito paso a paso!
¿Qué pasa cuando hay mas de 2 grupos en un método cascada?
Comentarios
Publicar un comentario